無錫蠡湖鋼件廠廢氣、粉塵環保達標排放治理項目
- 2024-10-25 13:59:00
- sunmiao 原創
- 2290
無錫蠡湖增壓技術股份有限公司在渦輪增壓器零部件的研發、生產與銷售在壽行業內是領頭羊。在熔煉、澆鑄、制芯過程中產生大量的煙塵,且氣味難聞。原有廢氣處理設備已經老化,且不能滿足日益增加的產能帶的廢氣處理問題。為了改善生產環境,減少對環境的污染,委托江蘇環境和星澤機電 公司對鋼件制造產生的廢氣和灰塵進行洗滌過濾凈化綜合治理,達到環保PM2.5排放國家環保標準要求。項目有靜止設備、集塵風管、排氣煙囪及配套泵、管道、儀表、電纜、橋架的采購、安裝及調試。下面對該項目進行具體介紹。
一、設計基礎數據
1)設計參數:
熔煉廢氣設計參數:
序號 |
名稱 |
數值 |
單位 |
備注 |
1 |
廢氣來源 |
鋼澆鑄廢氣 |
||
2 |
廢氣溫度 |
80 |
℃ |
|
3 |
涉及的原輔物料 |
鋼錠、廢鋼材料 |
||
4 |
風管進口濃度 |
30mg/m3(有機物),塵300mg/m3 |
||
5 |
臭氣濃度 |
200 |
無量綱 |
|
6 |
顆粒物含量 |
較多 |
以粘性樹脂和粉塵顆粒物為主 |
|
7 |
運行時間 |
24h/d,300d/a |
連續運行 |
|
設計規模:旋風除塵器設計處理氣量65000m3/h,1套;洗滌塔設計處理氣量65000m3/h,1套。19萬m3/h煙囪,Ф2200×H30000,1套。
澆鑄廢氣設計參數:
序號 |
名稱 |
數值 |
單位 |
備注 |
1 |
廢氣來源 |
澆鑄廢氣 |
||
2 |
廢氣溫度 |
80 |
℃ |
|
3 |
涉及的原輔物料 |
型砂(由石英砂、煤粉、膨潤土和水組成,其中石英砂96%、煤粉1%、膨潤土1%、水2%),酚醛樹脂覆膜砂(含有游離酚、固化劑),脫模劑(主要成分為硅鋁酸鹽耐火材料30-50%、黏土類礦物1-10%、水、水20-40%、水性高分子10%,流變助劑5%) |
||
4 |
風管進口濃度 |
60mg/m3(有機物),塵200mg/m3 |
||
5 |
臭氣濃度 |
800 |
無量綱 |
|
6 |
顆粒物含量 |
較多 |
以粘性樹脂和粉塵顆粒物為主 |
|
7 |
運行時間 |
24h/d,300d/a |
連續運行 |
|
設計規模:動力波洗滌塔設計處理氣量110000m3/h,1套;填料洗滌塔設計處理氣量110000m3/h,1套;干式過濾器設計處理氣量60000m3/h,2套;活性炭吸附箱設計處理氣量60000m3/h,2套。
制芯廢氣設計參數:
序號 |
名稱 |
數值 |
單位 |
備注 |
1 |
廢氣來源 |
制芯廢氣 |
||
2 |
廢氣溫度 |
35 |
℃ |
洗滌后溫度 |
3 |
涉及的原輔物料 |
型砂(由石英砂、煤粉、膨潤土和水組成,其中石英砂96%、煤粉1%、膨潤土1%、水2%),酚醛樹脂覆膜砂(含有游離酚、固化劑),脫模劑(主要成分為硅鋁酸鹽耐火材料30-50%、黏土類礦物1-10%、水、水20-40%、水性高分子10%,流變助劑5%) |
||
4 |
風管進口濃度 |
60mg/m3(有機物),塵50mg/m3 |
||
5 |
臭氣濃度 |
800 |
無量綱 |
|
6 |
顆粒物含量 |
較多 |
以粘性樹脂和粉塵顆粒物為主 |
|
7 |
運行時間 |
24h/d,300d/a |
連續運行 |
|
設計規模:干式過濾器設計處理氣量85000m3/h,4套;活性炭吸附箱設計處理氣量45000m3/h,8套。34萬m3/h煙囪,Ф2800×H30000,1套。
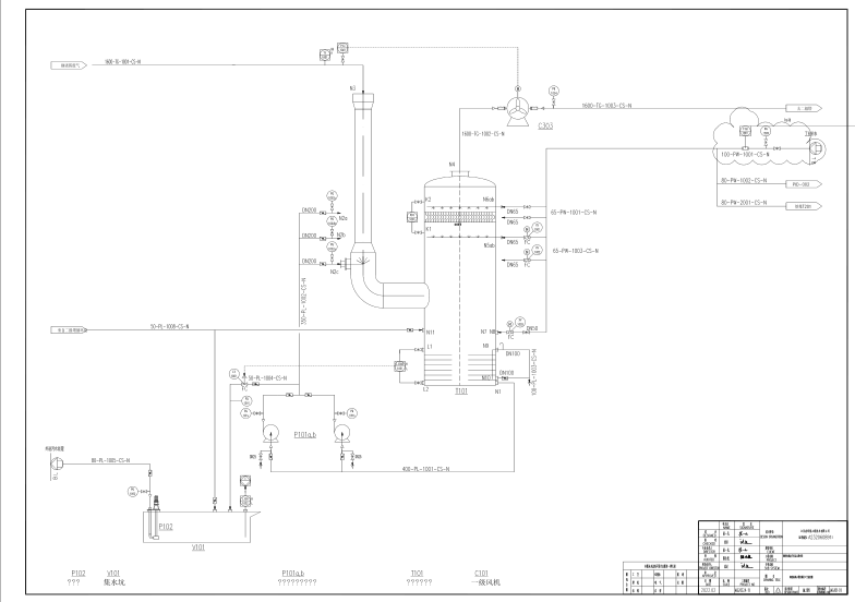
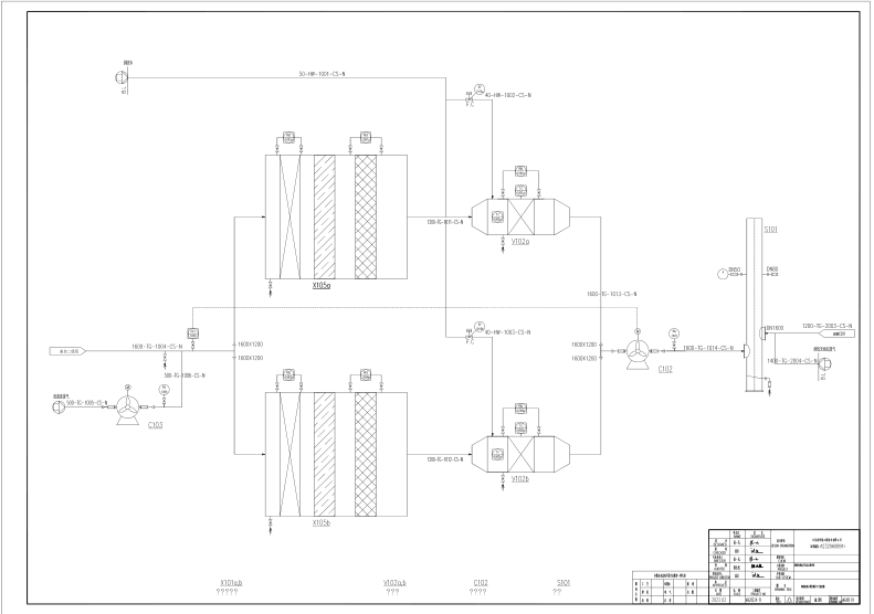
(2)工藝流程說明
熔煉廢氣經過旋風除塵器和洗滌塔洗滌后,和澆鑄處理尾氣共同排入Ф2200煙囪。
澆鑄廢氣經過逆噴洗滌和填料塔洗滌后,依次進入干式過濾器和固定床吸附箱。
制芯廢氣經過空塔洗滌和填料塔洗滌后,依次進入干式過濾器和固定床吸附箱。廢氣經匯總后排入Ф2800煙囪。
一、技術要求
1、通用要求
(1)使用壽命。整套設備設計壽命20年,正常使用條件下連續運行不少于8400小時/年。
(2)設備功能完整、技術先進,并能滿足人身安全和勞動保護條件。
(3)所有設備均正確設計和制造,在正常工況下均能安全、持續運行,不應有過度的應力、振動、溫升、磨損、腐蝕、老化等其它問題,設備結構方便日常維護(如加油、緊固等)。
(4)設備零部件采用先進、可靠的加工制造技術,應有良好的表面幾何形狀及合適的公差配合。
(5)外購配套件,選用優質名牌、節能先進的產品,并有生產許可證及生產檢驗合格證。
(6)易于磨損、腐蝕、老化或需要調整、檢查或更換的部件提供備用品,并能比較方便地拆卸、更換和修理。
(7)所用的材料及零部件(或元器件)應符合有關規范的要求,且應是新的和優質的,并能滿足當地環境條件的要求。
(8)所使用的零件或組件應有良好的互換性。
(9)本項目所處地冬季可能存在低溫寒冷,設備系統管線應按需考慮采取保溫或伴熱措施,保證冬季能正常使用。
(10)管道系統的布置(包括合理設置的各種支吊架)應能承受各種荷載和應力。所有管道的布置和支吊架設計便于檢修維護與保溫安裝。與設備連接處提供法蘭短管件,以減少維修要求的管道拆卸工作。
(11)盡量將設備整體采取模塊化設計,將系統內的設備整體撬裝,確保現場開車調試的高效、安全、可靠。
2、自動化控制說明
動力波洗滌系統具備自動補水、自動排水、自動沖洗的功能,自動排水閥與塔釜液位變送器聯鎖,中繼風機與逆噴管前端風管上的壓力變送器聯鎖,保證負壓狀態。
鋼制噴淋塔系統具備自動補水、自動排水、自動沖洗的功能,自動排水閥與塔釜液位變送器聯鎖。
每套干式過濾器配置2個差壓變送器,并具備高壓差報警功能,用于提示更換濾芯。
每套固定床吸附箱配置2個溫度變送器,并具備高溫和高高溫報警功能,高溫僅報警,高高溫聯鎖啟動消防水管路的自動開關閥。每套吸附箱配置1個壓差變送器,并具備高壓差報警功能。
3、本系統具有三種控制方式
1)手動控制方式
當現場控制柜上的遠/手/自動轉換開關處于手動位置時,設備只受現場控制按鈕的控制,此時,PLC只負責對設備的工況進行監視而不參與控制,可靠繼電控制回來來實現手動控制。手動控制方式具有最高優先級。
2)自動控制方式
當現場控制柜上的遠/手/自動轉換開關處于自動位置,同時PLC監控畫面上的控制方式也處于自動狀態,此時PLC會根據現場的工藝參數機設備的工況完成對設備的自動控制而無須人工干預,即真正意義上的自動控制。
3)遠程控制方式
當現場控制柜上的遠/手/自動轉換開關處于遠程位置,同時上位機也在遠程啟動設備狀態,此時PLC會根據現場的設備的工況完成對設備的自動遠程控制而無須人工干預。
4、 本系統具有四大功能
1) 數據采集和存儲功能
系統可自動連續地檢測并紀錄顯示出水處理過程中各個工藝環節、各個時段的液位、出水流量等生產數據,以及生產設備的運行工況等。
2)自動保護功能
PLC能對采集到的數據進行綜合分析,從而判斷出生產過程中有可能發生的事故,完成自動報警和主動采取預防措施,防止事故的發生和擴大,達到保護人身和設備的目的;
3)自動控制和調節功能
系統處于自動控制狀態下,PLC能根據工藝參數、設備工況和控制要求,按規定的時間周期、設定的邏輯順序和設定的工藝參數自動的起停設備、自動切換設備的交替運行。
4)工藝控制畫面
根據工藝特點和要求,整個站區的監控畫面包括以下幾部分:
u 工藝流程畫面
u 數據監測畫面
u 設備運行情況監測畫面
u 設備故障報警畫面
三、現場施工圖及廢氣處理流程圖




廢氣處理流程圖


四、項目總結:
通過省、市環保部門的檢測驗收,新的廢氣、除塵系統達到預期設計要求,廠區的廢氣、粉塵排放均達到排放標準。整個項目相比之前的設備,在節水、節電、節材消等方面也有顯著提高。獲得業主和環保部門的高度好評。
| 聯系人: | 張小姐 |
|---|---|
| 電話: | 0731-84010225 |
| 傳真: | 0731-84011784 |
| Email: | hnsonz@sina.cn |
| 網址: | http://m.haolianmeng.cn |
| 地址: | 長沙縣泉塘街道新長海廣場寫字樓A座2501室 |
掃碼關注“星澤機電”微信公眾號
搜索微信公眾號“星澤機電”
或微信號“sonz168”也可關注